詳情介紹
產品名稱: ZU-H、QU-H系列壓力管路過濾器
產品簡介: 該過濾器安裝在液壓系統的壓力管路上,用以濾除液壓油中混入的機械雜質和液壓油本身化學變化所產生的膠質、瀝清質、炭渣質等,從而防止閥芯卡死、節流小孔縫隙和阻尼孔的堵塞以及液壓元件過快磨損等故障的發生。 該過濾器過濾效果好,精度高,但堵塞后清洗比較難,而須更換濾芯。 該過濾器設有壓差發訊裝置,當濾芯污染堵塞到進出油口壓差為0.35MPa時,即發出開關信號,此時更換濾芯,以達到保護系統安全的目的。 該過濾器濾芯采用新型化纖過濾材質,具有過濾精度高、通油能力大、原始壓力損失小、納污量大等優點,其過濾精度以過濾精度標定,過濾比93、5、10、20>100,過濾效率n>9Q%,符合150標準



(四)濾芯壓差流量曲線
ELEMENT PRESSURE DROP(△P) AGAINST FLOW CURVES

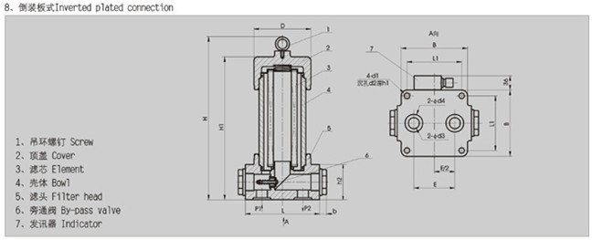
(五)安裝外型尺寸 MOUNTING SIZE
1.管式 Threaded comection










